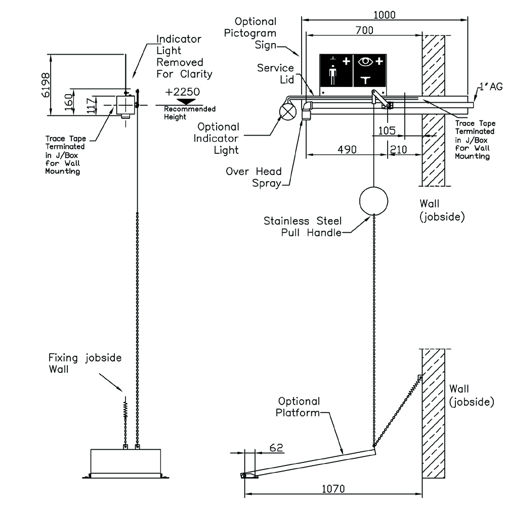
Mrazuvzdorná nerezová tělní nouzová sprcha s vyhříváním, pod omítku - detaily

_________________________________________________________________________________________________________________
Analýza vody BangCo Bezpečnostní nádoby Bezpečnostní sprchy Fotometry Kombinované sprchy Kompaktní oční sprchy
Kufříkové laboratoře Mobilní analýza Nouzové tělní sprchy Oční vymývačky Ruční oční sprchy Shop Nouzové sprchy Stanice, boxy, skříňky Tankové sprchy Vestavné oční sprchy
Kufříkové laboratoře Mobilní analýza Nouzové tělní sprchy Oční vymývačky Ruční oční sprchy Shop Nouzové sprchy Stanice, boxy, skříňky Tankové sprchy Vestavné oční sprchy
